Sizes
- 1 byte = 8 bits
- 1 word: multiples of bytes, is the unit of transfer between main memory and registers, usually the size of a register
- 1kb is bytes
- 1mb is bytes
- 1gb is bytes
- 1tb is bytes
Operations
- Read
- Transfer the address of the desired word to the address lines
- Write
- Transfers the address of the desired word to address lines AND
- Transfers data bits (the word) to be stored to the data input lines
| EN | Read/Write | Operation |
|---|---|---|
| 0 | X | None |
| 1 | 0 | Write |
| 1 | 1 | Read |
RAM
- Static RAM: uses flipflops as memory cells
- Dynamic RAM: uses capacitors to represent data. Simpler, but need to constantly refresh
SRAM cell logic and block diagram

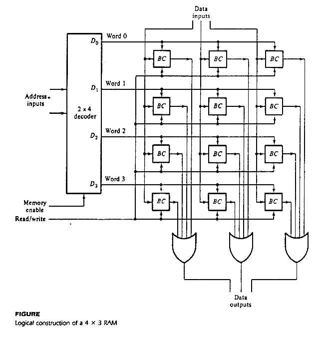
Memory Arrays
Logic construction of 4x3 RAM

Memory array (4k x 8) made of four 1k x 8-bit RAM chips: this can be extended to larger size
